中国机械工程 ›› 2025, Vol. 36 ›› Issue (9): 2108-2116.DOI: 10.3969/j.issn.1004-132X.2025.09.023
• 服务型制造 • 上一篇
王俊, 高贵兵
收稿日期:
2024-09-27
出版日期:
2025-09-25
发布日期:
2025-10-15
基金资助:
Jun WANG, Guibing GAO
Received:
2024-09-27
Online:
2025-09-25
Published:
2025-10-15
摘要:
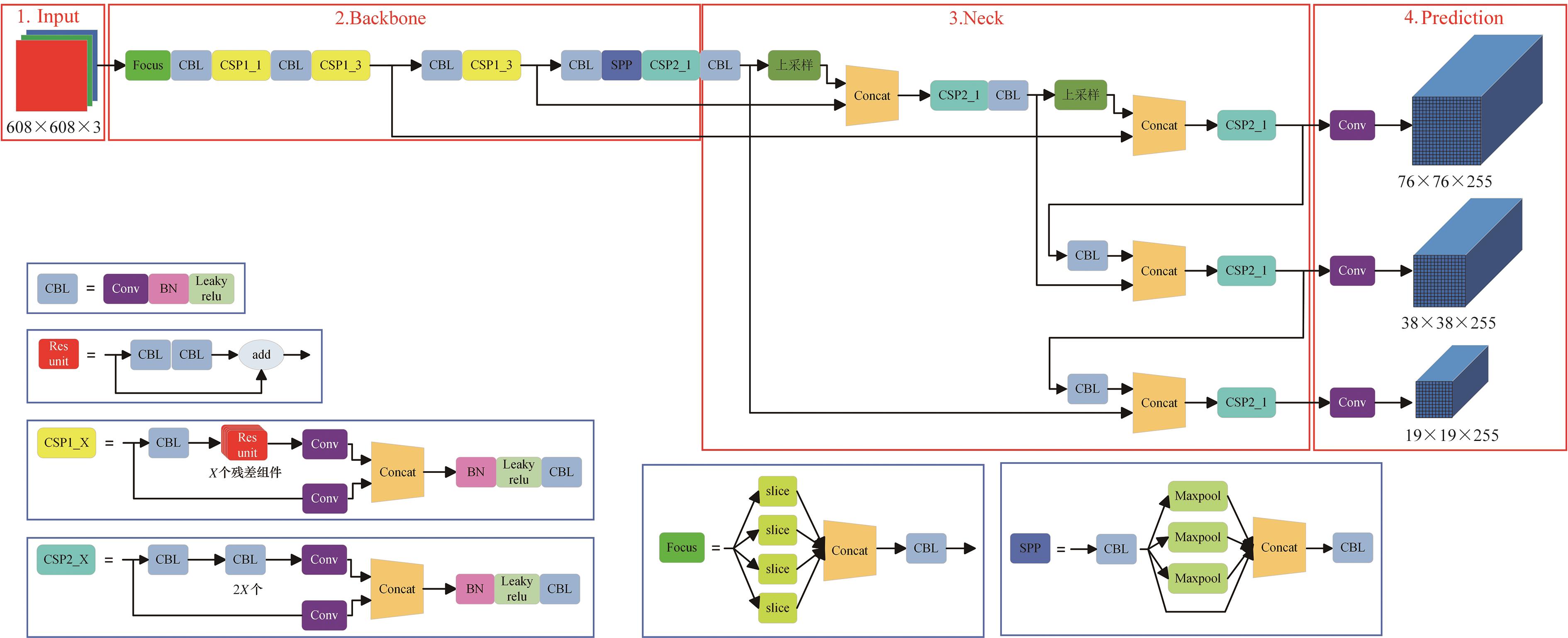
为了提高风电机组叶片健康监测技术的智能化、高效化、便捷化发展,依据目标识别技术提出一种基于改进YOLOv5s算法的风电叶片表面缺陷检测方法。首先将YOLOv5s算法的原始骨干网络用渐进特征金字塔网络(AFPN)替换,增强了网络的学习能力;其次将卷积块注意力模块(CBAM)嵌入到主干提取网络中,提高了模型对叶片表面缺陷特征的提取能力;然后使用最小点距离交并比(MPDIoU)损失函数替换CIoU损失函数,提高了边界框定位精度;最后,采用改进的检测方法对某风电机组叶片进行缺陷检测。检测结果表明,改进后的算法在精确率、召回率和平均精度均值(mAP)等方面分别提高了4.1%、2.9%和4.8%,达到了91.9%、89.3%和93.5%,具有显著的精度优势和更好的模型稳定性。
中图分类号:
王俊, 高贵兵. 基于改进YOLOv5s的风电叶片表面缺陷检测方法[J]. 中国机械工程, 2025, 36(9): 2108-2116.
Jun WANG, Guibing GAO. A Method for Detecting Surface Defects on Wind Turbine Blades Based on Improved YOLOv5s[J]. China Mechanical Engineering, 2025, 36(9): 2108-2116.
损失函数 | P | R | mAP@0.5 | mAP@0.5:0.95 |
---|---|---|---|---|
YOLOv5s+CIoU | 87.8 | 86.4 | 88.7 | 66.9 |
YOLOv5s+EIoU | 89.9 | 87.6 | 89.5 | 67.7 |
YOLOv5s+Alpha IoU | 85.0 | 80.8 | 84.4 | 64.5 |
YOLOv5s+SIoU | 88.3 | 86.5 | 88.7 | 66.8 |
YOLOv5s+WIoU | 90.2 | 88.8 | 89.9 | 67.6 |
YOLOv5s+MPDIoU | 88.9 | 87.5 | 90.5 | 68.1 |
表1 损失函数对比实验 (%)
Tab.1 Loss function comparison experiment
损失函数 | P | R | mAP@0.5 | mAP@0.5:0.95 |
---|---|---|---|---|
YOLOv5s+CIoU | 87.8 | 86.4 | 88.7 | 66.9 |
YOLOv5s+EIoU | 89.9 | 87.6 | 89.5 | 67.7 |
YOLOv5s+Alpha IoU | 85.0 | 80.8 | 84.4 | 64.5 |
YOLOv5s+SIoU | 88.3 | 86.5 | 88.7 | 66.8 |
YOLOv5s+WIoU | 90.2 | 88.8 | 89.9 | 67.6 |
YOLOv5s+MPDIoU | 88.9 | 87.5 | 90.5 | 68.1 |
实验 | AFPN | CBAM | MPDIoU | P/% | R/% | mAP@0.5/% | mAP@0.5:0.95/% | Parameters |
---|---|---|---|---|---|---|---|---|
1 | × | × | × | 87.8 | 86.4 | 88.7 | 66.9 | 7 015 519 |
2 | √ | × | × | 88.3 | 86.9 | 90.3 | 67.4 | 7 554 444 |
3 | × | √ | × | 90.1 | 87.0 | 91.0 | 67.8 | 7 048 385 |
4 | × | × | √ | 88.9 | 87.5 | 90.5 | 68.1 | 7 015 519 |
5 | × | √ | √ | 91.0 | 87.6 | 92.7 | 69.2 | 7 048 385 |
6 | √ | × | √ | 90.4 | 86.3 | 92.3 | 68.8 | 7 554 444 |
7 | √ | √ | × | 91.3 | 87.6 | 93.0 | 68.5 | 7 587 310 |
8 | √ | √ | √ | 91.9 | 89.3 | 93.5 | 69.4 | 7 587 310 |
表2 YOLOv5s改进前后的消融实验结果分析
Tab.2 Results of improved YOLOv5s ablation test
实验 | AFPN | CBAM | MPDIoU | P/% | R/% | mAP@0.5/% | mAP@0.5:0.95/% | Parameters |
---|---|---|---|---|---|---|---|---|
1 | × | × | × | 87.8 | 86.4 | 88.7 | 66.9 | 7 015 519 |
2 | √ | × | × | 88.3 | 86.9 | 90.3 | 67.4 | 7 554 444 |
3 | × | √ | × | 90.1 | 87.0 | 91.0 | 67.8 | 7 048 385 |
4 | × | × | √ | 88.9 | 87.5 | 90.5 | 68.1 | 7 015 519 |
5 | × | √ | √ | 91.0 | 87.6 | 92.7 | 69.2 | 7 048 385 |
6 | √ | × | √ | 90.4 | 86.3 | 92.3 | 68.8 | 7 554 444 |
7 | √ | √ | × | 91.3 | 87.6 | 93.0 | 68.5 | 7 587 310 |
8 | √ | √ | √ | 91.9 | 89.3 | 93.5 | 69.4 | 7 587 310 |
算法 | Parameters/M | FLOPs/G | mAP@0.5 | FPS |
---|---|---|---|---|
SSD | 22.67 | 88.26 | 81.9 | 94 |
Faster R-CNN | 41.43 | 105.2 | 85.4 | 21 |
YOLOv5s | 7.02 | 15.8 | 88.7 | 112 |
YOLOv6 | 9.67 | 24.84 | 83.3 | 122 |
YOLOv7 | 37.2 | 104.7 | 87.5 | 86 |
YOLOv8 | 11.13 | 28.4 | 90.5 | 155 |
YOLOv5s-ACM | 7.59 | 20.3 | 93.5 | 138 |
表3 常见算法性能比较
Tab.3 Common algorithm performance comparison
算法 | Parameters/M | FLOPs/G | mAP@0.5 | FPS |
---|---|---|---|---|
SSD | 22.67 | 88.26 | 81.9 | 94 |
Faster R-CNN | 41.43 | 105.2 | 85.4 | 21 |
YOLOv5s | 7.02 | 15.8 | 88.7 | 112 |
YOLOv6 | 9.67 | 24.84 | 83.3 | 122 |
YOLOv7 | 37.2 | 104.7 | 87.5 | 86 |
YOLOv8 | 11.13 | 28.4 | 90.5 | 155 |
YOLOv5s-ACM | 7.59 | 20.3 | 93.5 | 138 |
算法 | mAP@0.5/% | FPS |
---|---|---|
SSD | 79.4 | 90 |
Faster R-CNN | 84.1 | 17 |
YOLOv5s | 89.6 | 110 |
YOLOv6 | 81.5 | 116 |
YOLOv8 | 90.1 | 146 |
YOLOv5s-ACM | 93.6 | 138 |
表4 不同数据集算法对比
Tab.4 Comparison of algorithms on different datasets
算法 | mAP@0.5/% | FPS |
---|---|---|
SSD | 79.4 | 90 |
Faster R-CNN | 84.1 | 17 |
YOLOv5s | 89.6 | 110 |
YOLOv6 | 81.5 | 116 |
YOLOv8 | 90.1 | 146 |
YOLOv5s-ACM | 93.6 | 138 |
[1] | 陈雪峰,郭艳婕,许才彬,等 .风电装备故障诊断与健康监测研究综述[J].中国机械工程,2020,31(2):175-189. |
CHEN Xuefeng, GUO Yanjie, XU Caibin, et al. Review of Research on Fault Diagnosis and Health Monitoring of Wind Power Equipment[J]. China Mechanical Engineering, 2020, 31(2):175-189. | |
[2] | 胡蓓,吴永康,郭子君,等.风力发电叶片裂缝监测技术综述[J].高压电器,2022,58(7):93-100. |
HU Bei, WU Yongkang, GUO Zijun, et al. Overview of Crack Monitoring Technology for Wind Power Generation Blades[J]. High Voltage Apparatus, 2022, 58(7):93-100. | |
[3] | 周季峰,石腾,许波峰.风电机组叶片损伤故障检测技术研究进展[J].新能源进展,2023,11(6):556-563. |
ZHOU Jifeng, SHI Teng, XU Fengfeng. Research Progress on Blade Damage Fault Detection Techno-logy for Wind Turbines[J]. New Energy Progress, 2023, 11(6):556-563. | |
[4] | DAVIS M, DEJESUS N E, SHEKARAMIZ M, et al.Identification and Localization of Wind Turbine Blade Faults Using Deep Learning[J].Applied Sciences, 2024,14(14):6319-6319. |
[5] | 蔺雪峰,赵江,孟秀俊,等.基于叶片加速度振动信号的风机叶片状态监测系统[J].机械设计与制造工程,2024,53(5):96-100. |
LIN Xuefeng, ZHAO Jiang, MENG Xiujun, et al. Wind Turbine Blade Condition Monitoring System Based on Blade Acceleration Vibration Signals[J]. Mechanical Design and Manufacturing Engineering, 2024, 53(5):96-100. | |
[6] | 章学兵,骆国防.基于风机叶片缺陷的超声波检测方法分析[J].河北电力技术,2022,41(1):76-79. |
ZHANG Xuebing, LUO Guofang. Analysis of Ultrasonic Detection Method Based on Wind Turbine Blade Defects[J]. Hebei Electric Power Technology, 2022, 41(1):76-79. | |
[7] | 董文轩,梁宏涛,刘国柱,等.深度卷积应用于目标检测算法综述[J].计算机科学与探索,2022,16(5):1025-1042. |
DONG Wenxuan, LIANG Hongtao, LIU Guozhu, et al. A Review of Deep Convolution Applied to Object Detection Algorithms[J]. Computer Science and Exploration, 2022,16(5):1025-1042. | |
[8] | LI R K, DUAN J L, DENG J Y, et al.Pest Detection Based on Lightweight Locality-Aware Faster R-CNN[J].Agronomy,2024,14(10):2303-2303. |
[9] | MAHESHA Y, NAGARAJU C.Spotting Congenital Heart Diseases Using Palm Print Based on Faster R-CNN and Spatial Method[J].International Journal of Medical Engineering and Informatics,2024,16(1):56-70. |
[10] | ALSHAWABKEH S, WU L, DONG D, et al.A Hybrid Approach for Pavement Crack Detection Using Mask R-CNN and Vision Transformer Model[J].Computers, Materials & Continua,2025,82(1):561-577. |
[11] | 苏步宇,杜小平,慕号伟,等.耦合Mask R-CNN和注意力机制的建筑物提取及后处理策略[J].遥感技术与应用,2024,39(3):620-632. |
SU Buyu, DU Xiaoping, MU Haowei, et al. Building Extraction and Post-processing Strategy Coupling Mask R-CNN and Attention Mechanism[J]. Remote Sensing Technology and Applications, 2024, 39(3):620-632. | |
[12] | 冯冰,杜岳凡,金尧,等.改进Faster R-CNN的变电站电气主接线图图元检测[J].哈尔滨理工大学学报, 2025, 30(4):39-47. |
FENG Bing, DU Yuefan, JIN Yao, etc Improving Faster R-CNN for Substation Electrical Main Wiring Diagram Element Detection[J]. Journal of Harbin Institute of Technology, 2025, 30(4):39-47. | |
[13] | XIAO M, GONG Y, WANG H, et al.Defect Detection of Light Guide Plate Based on Improved YOLOv5 Networks[J].Optoelectronics Letters,2024,20(9):560- 567. |
[14] | ATREY J, REGUNATHAN R, RAJASEKARAN R.Real-world Application of Face Mask Detection System Using YOLOv6[J].International Journal of Critical Infrastructures,2024,20(3):216-240. |
[15] | LI J, LIU Y, LI C, et al.Pineapple Detection with YOLOv7-Tiny Network Model Improved via Pruning and a Lightweight Backbone Sub-Network[J].Remote Sensing,2024,16(15):2805-2805. |
[16] | CHEN C, CHEN Z, LI H, et al.Research on Defect Detection in Lightweight Photovoltaic Cells Using YOLOv8-FSD[J].Sensors,2025,25(3):843-843. |
[17] | ZHONG X.CAL-SSD:Lightweight SSD Object Detection Based on Coordinated Attention[J].Signal, Image and Video Processing,2024,19(1):31-31. |
[18] | ISLAM T, SARKER T T, AHMED R K, et al.Detection and Classification of Cannabis Seeds Using RetinaNet and Faster R-CNN[J].Seeds,2024,3(3):456-478. |
[19] | 鄢之麟,钟收成,孙进,等.基于CCD-YOLOv5算法的铸件表面缺陷检测模型[J].特种铸造及有色合金,2024,44(8):1083-1089. |
YAN Zhilin, ZHONG Cailiang, SUN Jin, et al. A surface Defect Detection Model for Castings Based on CCD-YOLOv5 Algorithm[J]. Special Casting and Nonferrous Alloys, 2024, 44(8):1083-1089. | |
[20] | 徐东亮,赖九衡,杨会兰.基于改进YOLOv5s的拉挤板缺陷检测[J].复合材料科学与工程,2025(5):132-141. |
XU Dongliang, LAI Jiuheng, YANG Huilan. Defect Detection of Extruded Plates Based on Improved YOLOv5s[J]. Composite Materials Science and Engineering,2025(5):132-141. | |
[21] | 孙铁强,秦愿伟,宋超,等.基于改进YOLOv7的钢卷端面缺陷检测[J].现代制造工程,2024(7):117-125. |
SUN Tieqiang, QIN Yuanwei, SONG Chao, et al. Steel Coil End Face Defect Detection Based on Improved YOLOv7[J]. Modern Manufacturing Engineering, 2024(7):117-125. | |
[22] | 郭桂标,邢雪,刘宇琦,等.融合SA注意力机制的YOLO5s在石油油管表面缺陷检测的应用[J].机床与液压,2024,52(24):228-235. |
GUO Guibiao, XING Xue, LIU Yuqi, et al. Application of YOLO5s with SA Attention Mechanism in Surface Defect Detection of Oil Pipelines[J]. Machine Tool and Hydraulic, 2024, 52(24):228-235. | |
[23] | 王林琳,龚昭昭,梁泽启.改进YOLOv5s算法的带钢表面缺陷检测[J].组合机床与自动化加工技术,2024(12):181-186. |
WANG Linlin, GONG Zhaozhao, LIANG Zeqi. Improved YOLOv5s Algorithm for Surface Defect Detection of Strip Steel[J]. Combined Machine Tool and Automation Processing Technology, 2024(12):181-186. | |
[24] | 张晖耀,黄力湘,陈继清,等.基于改进YOLOv5s的草莓成熟度检测算法[J].南京农业大学学报,2025,48(4):990-999. |
[1] | 罗亮1, 2, 郎霄1, 祖国庆2, 张农1, 杨林3, 沈雄伟4. 一种基于改进YOLOv8n的气缸套缺陷检测方法[J]. 中国机械工程, 2025, 36(05): 1054-1064. |
[2] | 朱传军1, 梁泽启1, 付强1, 张超勇2. 基于距离感知的金属缺陷样本标签分配算法[J]. 中国机械工程, 2024, 35(09): 1634-1641. |
[3] | 许鹏, 刘柏霖, 陈亚雄. 基于差分柔性涡流探头的铁轨裂纹检测方法[J]. 中国机械工程, 2023, 34(20): 2419-2427. |
[4] | 杜文杰, 郑慧峰, 张凯胜, 唐佳玄. 多层介质内部缺陷远聚焦成像方法研究[J]. 中国机械工程, 2023, 34(09): 1045-1051. |
[5] | 蔡卓越, 涂君, 张旭, 邓志扬, , 吴樵, 宋小春, . 厚壁铝管斜入射线聚焦垂直剪切波电磁超声探头设计[J]. 中国机械工程, 2022, 33(07): 804-810. |
[6] | 周友行;马逐曦;石弦韦;孔拓. HSI颜色空间下的直线导轨表面缺陷检测方法[J]. 中国机械工程, 2019, 30(18): 2179-2184. |
[7] | 李云峰, 李晟阳, . 基于梯度方向信息熵的印刷电路板缺陷检测[J]. 中国机械工程, 2017, 28(06): 695-701. |
[8] | 张腾达, 卢荣胜, 党学明. TFT-LCD表面缺陷检测中一维DFT方法中邻域r的自动选取[J]. 中国机械工程, 2016, 27(21): 2895-2901. |
[9] | 朱学耕, 董世运, 徐滨士. 压缩机叶轮叶根缺陷相控阵超声检测方法研究[J]. 中国机械工程, 2015, 26(18): 2436-2441. |
[10] | 杨庆华1, 陈亮1, 荀一1, 陈文彪2. 基于机器视觉的PCB裸板缺陷自动检测方法[J]. 中国机械工程, 2012, 23(22): 2661-2666. |
[11] | 张磊安, 乌建中, 陈州全, 王伟达. 兆瓦级风电叶片静力加载控制系统设计及试验 [J]. 中国机械工程, 2011, 22(18): 2182-2185,2208. |
[12] | 丛家慧, 颜云辉. 视觉注意机制在带钢表面缺陷检测中的应用 [J]. 中国机械工程, 2011, 22(10): 1189-1192,1221. |
[13] | 王珅;黄松岭;赵伟;. 平板兰姆波与缺陷作用边界元仿真实现研究[J]. J4, 2009, 20(08): 0-886. |
阅读次数 | ||||||
全文 |
|
|||||
摘要 |
|
|||||