中国机械工程 ›› 2025, Vol. 36 ›› Issue (10): 2322-2328.DOI: 10.3969/j.issn.1004-132X.2025.10.020
• 机械基础工程 • 上一篇
收稿日期:2025-04-21
出版日期:2025-10-25
发布日期:2025-11-05
通讯作者:
纪跃波
作者简介:李润祥,男,2001年生,硕士研究生。研究方向为压电换能器等效电路参数实时检测方法基金资助:
Runxiang LI, Yuheng YANG, Chenchen MENG, Yuebo JI(
)
Received:2025-04-21
Online:2025-10-25
Published:2025-11-05
Contact:
Yuebo JI
摘要:
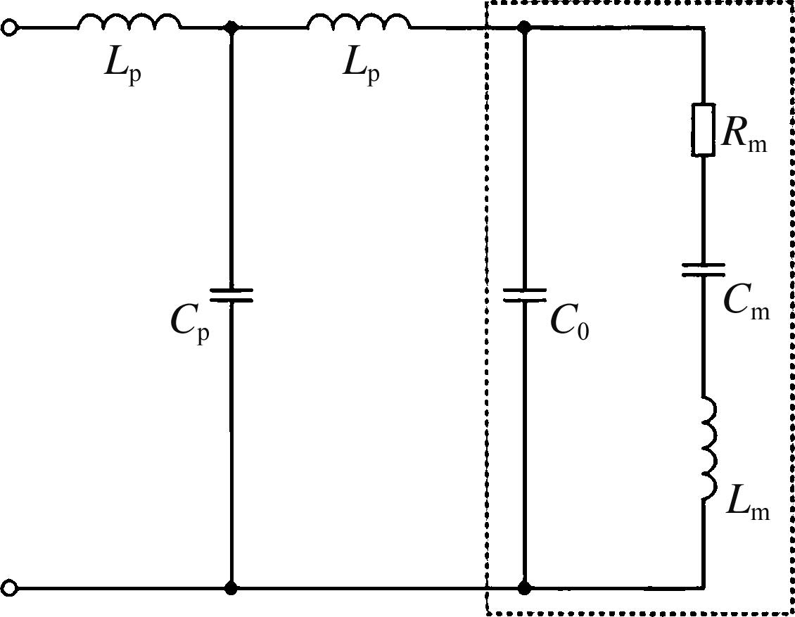
现有压电换能器等效电路参数测量方法较复杂且容易影响换能器的正常工作,难以做到对换能器等效电路参数的实时测量。在分析换能器相频特性的基础上提出了一种基于最小二乘法拟合的压电换能器等效电路参数实时测量方法,并设计了相应的测量系统。该方法通过频率扫描与峰值电流检测锁定换能器的串联谐振频率,在其附近数次微调驱动频率,获取对应频率下的换能器两端阻抗角,以最小残差平方和作为判断依据,得到一组拟合程度最高的模型参数,并结合所推导的计算公式求解出压电换能器等效电路参数值。使用仿真和实验对测量方法进行了检验,仿真结果表明,测量结果相对于阻抗分析仪的相对误差在±1%以内;实验结果进一步验证了该测量方法的效果,测量结果与阻抗分析仪相比其相对误差在±4%以内,且适用于负载变化的情况,程序运行时间为185
中图分类号:
李润祥, 杨宇恒, 蒙晨琛, 纪跃波. 一种压电换能器等效电路参数的实时测量方法[J]. 中国机械工程, 2025, 36(10): 2322-2328.
Runxiang LI, Yuheng YANG, Chenchen MENG, Yuebo JI. A Real-time Measurement Method for Equivalent Circuit Parameters of Piezoelectric Transducers[J]. China Mechanical Engineering, 2025, 36(10): 2322-2328.
| 压电换能器 | |||||
|---|---|---|---|---|---|
| 换能器A | 15.85 | 64.47 | 486.65 | 4.57 | 28414 |
| 换能器B | 8.81 | 51.32 | 624.62 | 6.34 | 28110 |
表1 换能器等效电路参数
Tab.1 Transducer equivalent circuit parameters
| 压电换能器 | |||||
|---|---|---|---|---|---|
| 换能器A | 15.85 | 64.47 | 486.65 | 4.57 | 28414 |
| 换能器B | 8.81 | 51.32 | 624.62 | 6.34 | 28110 |
| 频率/Hz | ||||
|---|---|---|---|---|
| 28 414 | 28 424 | 28 434 | 28 444 | |
| 阻抗角/(°) | 26.32 | 44.87 | 56.12 | |
表2 相应频率下阻抗角仿真结果
Tab.2 Impedance angle simulation results at the corresponding frequency
| 频率/Hz | ||||
|---|---|---|---|---|
| 28 414 | 28 424 | 28 434 | 28 444 | |
| 阻抗角/(°) | 26.32 | 44.87 | 56.12 | |
| 等效电路参数 | 测量结果 | 阻抗分析仪 | 相对误差/% |
|---|---|---|---|
| 15.74 | 15.85 | ||
| 490.20 | 486.65 | 0.73 | |
| 64.00 | 64.47 | 0.73 | |
| 4.59 | 4.57 |
表3 仿真实验测量结果及对比
Tab.3 Simulation experiment measurement results and comparison
| 等效电路参数 | 测量结果 | 阻抗分析仪 | 相对误差/% |
|---|---|---|---|
| 15.74 | 15.85 | ||
| 490.20 | 486.65 | 0.73 | |
| 64.00 | 64.47 | 0.73 | |
| 4.59 | 4.57 |
| 频率/Hz | 28 420 | 28 430 | 28 440 | 28 450 |
|---|---|---|---|---|
| 阻抗角/(°) | 26.82 | 44.87 | 56.60 |
表4 相应频率下阻抗角实测值
Tab.4 Impedance angle test results at the corresponding frequency
| 频率/Hz | 28 420 | 28 430 | 28 440 | 28 450 |
|---|---|---|---|---|
| 阻抗角/(°) | 26.82 | 44.87 | 56.60 |
| 等效电路参数 | 测量结果 | 阻抗分析仪 | 相对误差/% |
|---|---|---|---|
| 15.97 | 15.85 | 0.75 | |
| 471.15 | 486.65 | ||
| 66.56 | 64.47 | 3.24 | |
| 4.47 | 4.57 |
表5 测量结果及对比(换能器A)
Tab.5 Measurement results and comparison (transducer A)
| 等效电路参数 | 测量结果 | 阻抗分析仪 | 相对误差/% |
|---|---|---|---|
| 15.97 | 15.85 | 0.75 | |
| 471.15 | 486.65 | ||
| 66.56 | 64.47 | 3.24 | |
| 4.47 | 4.57 |
| 等效电路参数 | 测量结果 | 阻抗分析仪 | 相对误差/% |
|---|---|---|---|
| 8.28 | 8.18 | 1.22 | |
| 617.65 | 624.62 | ||
| 52.43 | 51.32 | 2.16 | |
| 6.34 | 6.34 | 0 |
表6 测量结果及对比(换能器B)
Tab.5 Measurement results and comparison (transducer B)
| 等效电路参数 | 测量结果 | 阻抗分析仪 | 相对误差/% |
|---|---|---|---|
| 8.28 | 8.18 | 1.22 | |
| 617.65 | 624.62 | ||
| 52.43 | 51.32 | 2.16 | |
| 6.34 | 6.34 | 0 |
| [1] | 林书玉. 超声换能器的原理及设计[M]. 北京: 科学出版社, 2004. |
| LIN Shuyu. Principle and Design of Ultrasonic Transducer[M]. Beijing: Science Press, 2004. | |
| [2] | WANG Jindong, JIANG Jiajia, DUAN Fajie, et al. A High-tolerance Matching Method against Load Fluctuation for Ultrasonic Transducers[J]. IEEE Transactions on Power Electronics, 2020, 35(1): 1147-1155. |
| [3] | LOU Yannian, ZHANG Chaojie, JIN Xiaojun, et al. Method of Adaptive PLL Bandwidth Adjustment without Phase Slipping[J]. Journal of Systems Engineering and Electronics, 2014, 25(6): 949-958. |
| [4] | 修嘉芸, 谷玉海, 徐小力. 高精度矢量阻抗测量仪的研究与设计[J]. 仪表技术与传感器, 2021(9): 18-22. |
| XIU Jiayun, GU Yuhai, XU Xiaoli. Research and Design of High Precision Vector Impedance Measuring Instrument[J]. Instrument Technique and Sensor, 2021(9): 18-22. | |
| [5] | 刘云, 隆志力, 李华, 等. 压电器件阻抗测试系统的研制[J]. 压电与声光, 2015, 37(6): 1061-1065. |
| LIU Yun, LONG Zhili, LI Hua, et al. Development of Impedance Measurement System of Piezoelectric Devices[J]. Piezoelectrics & Acoustooptics, 2015, 37(6): 1061-1065. | |
| [6] | 刘宁庄, 文迪雅, 段富才, 等. 压电换能器等效参数测量方法对比研究及验证[J]. 压电与声光, 2021, 43(5): 710-714. |
| LIU Ningzhuang, WEN Diya, DUAN Fucai, et al. Comparative Study and Verification of Measuring Methods of Equivalent Parameters of Piezoelectric Transducers[J]. Piezoelectrics & Acoustooptics, 2021, 43(5): 710-714. | |
| [7] | LI Zhaoxi, CHEN Dongdong, FEI Chunlong, et al. Optimization Design of Ultrasonic Transducer with Multimatching Layer[J]. IEEE Transactions on Ultrasonics, Ferroelectrics, and Frequency Control, 2021, 68(6): 2202-2211. |
| [8] | 姚震, 莫毅强, 罗子伦, 等. 非线性工作状态压电换能器匹配技术[J]. 应用声学, 2023, 42(2): 379-385. |
| YAO Zhen, MO Yiqiang, LUO Zilun, et al. Matching Technology of Piezoelectric Transducer in Nonlinear Working State[J]. Journal of Applied Acoustics, 2023, 42(2): 379-385. | |
| [9] | 张德丰,等. MATLAB数值计算方法[M]. 北京: 机械工业出版社, 2010. |
| ZHANG Defeng, et al. MATLAB Numerical Calculation Method[M]. Beijing: China Machine Press, 2010. | |
| [10] | TILO Strutz. 数据拟合与不确定度加权最小二乘及其推广的实用指南[M].王鼎,唐涛,吴志东,等,译.北京: 国防工业出版社, 2017. |
| TILO Strutz. Data Fitting and Uncertainty[M]. WANG Ding,TANG Tao,WU Zhidong,et al,trans. Beijing: National Defense Industry Press, 2017. | |
| [11] | 王磊, 王时英. 压电换能器T型匹配电路的优化[J]. 压电与声光, 2014, 36(5): 861-864. |
| WANG Lei, WANG Shiying. Optimization of T-type Matching Circuits in Piezoelectric Transducer[J]. Piezoelectrics & Acoustooptics, 2014, 36(5): 861-864. | |
| [12] | 李晓, 宋雁鹏, 王志斌, 等. 压电换能器等效模型分析与阻抗匹配设计[J]. 应用声学, 2016, 35(1): 13-19. |
| LI Xiao, SONG Yanpeng, WANG Zhibin, et al. The Analysis of a Piezoelectric Transducer Equivalent Impedance Model and the Design of an Impedance Matching Circuit[J]. Journal of Applied Acoustics, 2016, 35(1): 13-19. | |
| [13] | 陈构宜, 蔡文, 饶波, 等. 基于DDS原理的逆变器锁相技术的研究与实现[J]. 电力电子技术, 2010, 44(3): 6-8. |
| CHEN Gouyi, CAI Wen, RAO Bo, et al. Research and Implementation of DPLL Based on the Principle of DDS for Inverters[J]. Power Electronics, 2010, 44(3): 6-8. | |
| [14] | 申庆华. 基于AD9833的高精度函数信号发生器的设计[J]. 电子测试, 2021(19): 38-40. |
| SHEN Qinghua. Design of High-accuracy Function Signal Generator Base on AD9833 Chip[J]. Electronic Test, 2021(19): 38-40. |
| [1] | 王建涛, 高铭泽, 祝健, 王启智, 李昊. 多孔式合成射流压电风扇仿真分析与试验[J]. 中国机械工程, 2023, 34(16): 1929-1935. |
| [2] | 段林超, 张旭刚, 张华, 宋华伟, 敖秀奕. 基于二阶近似扩展卡尔曼滤波的锂离子电池SOC估计[J]. 中国机械工程, 2023, 34(15): 1797-1804. |
| [3] | 王凡勋, 殷国栋, 沈童, 任彦君, 汪䶮, 冯斌. 四轮驱动电动汽车质心侧偏角与轮胎侧向力非线性鲁棒融合估计[J]. 中国机械工程, 2022, 33(22): 2673-2683. |
| [4] | 毛天雨, 刘怀举, 王宝宾, 侯圣文, 陈地发. 基于分层贝叶斯模型的齿轮弯曲疲劳试验分析[J]. 中国机械工程, 2021, 32(24): 3008-3015,3023. |
| [5] | 黄强先;岳龙龙;郭小倩;程荣俊;梅腱;李红莉;张连生. 基于最小包容区域的球度误差评定方法[J]. 中国机械工程, 2020, 31(12): 1387-1393. |
| [6] | 臧政1;霍炜1;王玉海2;李兴坤3;郑旭光3;李圆圆4. 重型商用车辆质量估计算法研究[J]. 中国机械工程, 2020, 31(11): 1360-1367. |
| [7] | 陈栋;李世其;王峻峰;丰意;何旺. 一种以测量关键特征拟合舱段位姿的方法[J]. 中国机械工程, 2019, 30(18): 2250-2256. |
| [8] | 夏新涛1,2;陈向峰1;叶亮3. 卫星动量轮轴承摩擦力矩性能可靠性动态预测[J]. 中国机械工程, 2019, 30(11): 1268-1275. |
| [9] | 尤中桐1;王太勇1;刘清建2;辛全琦1. 一种基于最小二乘法的离散点螺旋线式拟合算法[J]. 中国机械工程, 2018, 29(20): 2502-2506,2514. |
| [10] | 伍希志, 程军圣. 碳纤维增强复合材料加固中心孔钢板综合优化[J]. 中国机械工程, 2017, 28(11): 1300-1304,1311. |
| [11] | 汪, 魏民祥, 赵万忠, 张凤娇, 严明月. 基于递推最小二乘法与模糊自适应扩展卡尔曼滤波相结合的车辆状态估计[J]. 中国机械工程, 2017, 28(06): 750-755. |
| [12] | 李玉刚, 叶庆卫, 周宇, 方宁. 基于模态参数提取的随机子空间辨识算法改进[J]. 中国机械工程, 2017, 28(01): 69-74. |
| [13] | 金贺荣, 刘达, 于斌, 范秀斌. 舱段自动装配位姿求解方法研究[J]. 中国机械工程, 2017, 28(01): 88-92. |
| [14] | 杨寿智, 邓朝晖, 刘伟, 李建, 彭克立. 凸轮轴数控磨削轮廓误差分析与补偿[J]. 中国机械工程, 2016, 27(16): 2230-2235. |
| [15] | 吴路路, 韩江, 田晓青, 夏链. 无偏差最小二乘法伺服控制系统参数辨识[J]. 中国机械工程, 2016, 27(01): 109-113. |
| 阅读次数 | ||||||
|
全文 |
|
|||||
|
摘要 |
|
|||||